Ersatz für Bansbach A1A1-40-120-330–0XX 50-800N
Artikelnummer: G0108120045,E010824,E010824,50-700N, (A1A1-40-120-330--0XX)
49,07 €
250+ vorrätig
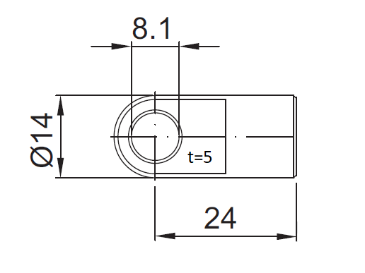
Ersatz Gasdruckfeder für Bansbach A1A1-40-120-330--0XX 50-800 Newton. Die Stärke des Auges beträgt 5mm und der Lochdurchmesser ist 8.1mm. Marke: Hahn Gasfedern.
Achtung:
Stärke am Auge ist 5mm, nicht 10mm.
Sehen Sie sich diese Gasfeder in unserem Konfigurator an.





